X3

Højstyrke Lang dybel

X3 dybel i Ø8 og Ø10 mm med undersænket hoved kan benyttes til fastgørelse i beton og murværk.

CE mærket
Aftalegrundlag
Anvendelsesklasse 2
Elgalvaniseret stål
Indoor
Feu R 90
Fix Calc

Produktinformationer

Billeder

Egenskaber

Materiale

Dybel: nylon
Skrue: hvid zinkbelagt stål

Fordele

  • Høj styrke i de fleste grundmaterialer
  • Op til tre sættedybder
  • Mange anvendelsesmuligheder og hurtig installation
  • Stor ekspansion
  • Designet til facader og tungt tømrerarbejde

Applikationer

Anvendelsesområder

  • Ventilerede facader
  • Stålkonstruktioner
  • Trækonstruktioner

Egnet til

  • Urevnet beton
  • Massive mursten og hulsten
  • Letvægtsmursten
  • Letbeton
  • Sten

Teknisk data

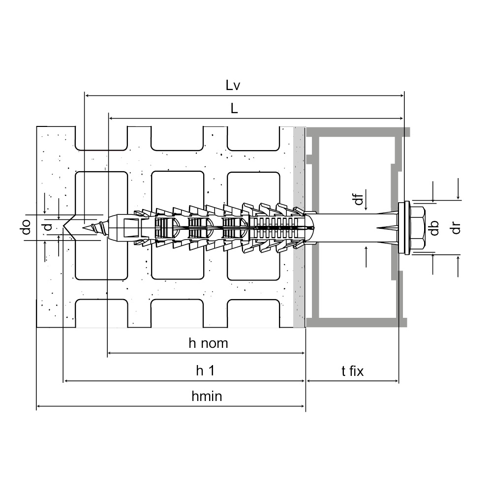
Produktdimension - Forsænket PZ-skrue

Table "Produktdimension - Forsænket PZ-skrue" cannot be displayed : no references available.

(1) Only for aerated concrete
* Not covered by CE certification

Produktdimension - TX-skrue med undersænket hoved

Art. nr. Product Reference Stik [ØxL] [mm] Skrue [ØxL] [mm] Reduceret fastgørelses tykkelse [tfix] [mm] Standard fastgørelses tykkelse [tfix] [mm] Øget(1) fiksturtykkelse [tfix] [mm] Ø boreholder [df] [mm] Bit Qty per box Antal pr. ydre kasse
64602B0808000X38x806x884030-8.5T3050500
64602B08100008x1006x1086050-8.5T3050500
64602B08120008x1206x1288070-8.5T3050500

(1) Only for aerated concrete

NOTE: The thickness of the plaster must be included in the fixing thickness tfix

Produktdimension - Special sekskantet skrue

Table "Produktdimension - Special sekskantet skrue" cannot be displayed : no references available.

(1) Only for aerated concrete

NOTE: The thickness of the plaster must be included in the fixing thickness tfix

Produktdimension - Stor kant Ø18 prop med sekskantet skrue

Table "Produktdimension - Stor kant Ø18 prop med sekskantet skrue" cannot be displayed : no references available.

(1) Only for aerated concrete

* Not covered by CE certification

** Plug only

▲ Quantity and delivery terms to be agreed

NOTE: The thickness of the plaster must be included in the fixing thickness tfix

Produktdimension - Gør-det-selv - Forsænket PZ-skrue

Table "Produktdimension - Gør-det-selv - Forsænket PZ-skrue" cannot be displayed : no references available.

(1) Only for aerated concrete
* Not covered by CE certification

Designkapaciteter - enkelt forankring - ingen kantafstande

Art. nr. Designkapaciteter - enkelt forankring - ingen kantafstande
Designkapacitet
Spænding - NRd Skæring - VRd Bøjningsmoment - MRd [Nm]
Ikke-revnet beton C12/25 [kN] Non-cracked concrete C16/20 [kN]  Autoclaved aerated concrete AAC 2 [kN] Massiv mursten (BP400) [kN] Non-cracked concrete C12/15 [kN] Non-cracked concrete C16/20 [kN]  Autoclaved aerated concrete AAC 2 [kN] Solid brick (BP400) [kN]
64602B08080000.650.83-1.4----11.3
64602B08100000.650.83-1.4----11.3
64602B08120000.650.83-1.4----11.3

1. The design loads loads have been calculated using the partial safety factors for resistances stated in ETA-approval(s). The loading figures are valid for unreinforced concrete and reinforced concrete with a rebar spacing s ≥ 15 cm (any diameter) or with a rebar spacing s ≥ 10 cm, if the rebar diameter is 10mm or smaller.
2. The figures for shear are based on a single anchor without influence of concrete edges. For anchorages close to edges (c ≤ max [10 hef; 60d]) the concrete edge failure shall be checked per ETAG 001, Annex C, design method A.
3. Concrete is considered non-cracked when the tensile stress within the concrete is\sigmaL +\sigmaR ≤ 0. In the absence of detailed verification\sigmaR = 3 N/mm² can be assumed (\sigmaL equals the tensile stress within the concrete induced by external loads, anchors loads included).

*Not covered by ETA-11/0080

Anbefalede kapaciteter - enkeltanker - ingen kantafstande

Art. nr. Designkapaciteter - enkelt forankring - ingen kantafstande
Designkapacitet
Spænding - NRd Skæring - VRd Bøjningsmoment - MRd [Nm]
Ikke-revnet beton C12/25 [kN] Non-cracked concrete C16/20 [kN]  Autoclaved aerated concrete AAC 2 [kN] Massiv mursten (BP400) [kN] Non-cracked concrete C12/15 [kN] Non-cracked concrete C16/20 [kN]  Autoclaved aerated concrete AAC 2 [kN] Solid brick (BP400) [kN]
64602B08080000.650.83-1.4----11.3
64602B08100000.650.83-1.4----11.3
64602B08120000.650.83-1.4----11.3

1. The recommended loads have been calculated using the partial safety factors for resistances stated in ETA-approval(s) and with a partial safety factor for actions of γF=1.4. The loading figures
are valid for unreinforced concrete and reinforced concrete with a rebar spacing s ≥ 15 cm (any diameter) or with a rebar spacing s ≥ 10 cm, if the rebar diameter is 10 mm or smaller.
2. The figures for shear are based on a single anchor without influence of concrete edges. For anchorages close to edges (c ≤ max [10 hef; 60d]) the concrete edge failure shall be checked per
ETAG 001, Annex C, design method A.
3. Concrete is considered non-cracked when the tensile stress within the concrete is\sigmaL +\sigmaR ≤ 0. In the absence of detailed verification\sigmaR = 3 N/mm² can be assumed (\sigmaL equals the tensile stress within the concrete induced by external loads, anchors loads included).
 

Installation

Installation

Afstande og kantafstande

Art. nr. Product Reference Stik [ØxL] [mm] Afstande og kantafstande 
Ikke-revnet beton C12/15 Ikke-revnet beton C16/20  Autoklaveret porebeton AAC 2 [hef] [mm] Solid brick [ccr,N] [mm]
Min. edge distance [cmin] [mm] Min. spacing [smin] [mm] Characteristic edge distance [ccr,N] [mm] Minimumstykkelse af understøtning [mm] Min. kantafstand [mm] Min. afstand [mm] Characteristic edge distance [mm] Minimun thickness of support [mm] Min. edge distance [cmin] [mm] Min. spacing [smin] [mm] Characteristic edge distance [scr,N] [mm] Minimumstykkelse af understøtning  [mm] Min. edge distance [cmin] [mm] Min. spacing [smin] [mm] Characteristic edge distance [ccr,N] [mm] Minimun thickness of support  [mm]
64602B0808000X38x80708585100506060100100250-240100250-175
64602B0810000X38x100708585100506060100100250-240100250-175
64602B0812000X38x120708585100506060100100250-240100250-175

* Not included in the approval

Installation data

Art. nr. Installationsdata
Ø drilling hole [d0] [mm] Min. drill depth [h1] [mm] Ø boreholder [df] [mm]
64602B08080008558.5
64602B08100008558.5
64602B08120008558.5

Certificeringer

Ydeevnedeklaration (DoP)

dk-x3-02-f.pdf (227.28 KB)

ETA godkendelse (European Technical Assessment)

ZIP-pakker

Buy from Distributor

No items available.

Contact

Simpson Strong-Tie Danmark

Simpson Strong-Tie A/S

CVR 65653818
Egeskovvej 33
8700 Horsens
Danmark