Betonskrue
VF er en 7,5 mm betonskrue til montage af vinduer og døre i forskellige materialer
Produktinformationer
Egenskaber
Fordele
- Egnet til stand-off montage
- Tillader installation tæt på kant
- Lille huldiameter
- Forhindre deformation af karmen
Applikationer
Materiale
- Stål
- Hvid zinkbelagt
Anvendelsesområder
Vindues- og dørkarme
Træprofiler og lægter
Egnet til
- Urevnet beton
- Massive mursten
- Hulsten (delvist egnet)
- Sten (delvist egnet)
- Træ
- Letbeton
Teknisk data
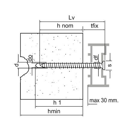
Produktdimension - Skruer med forsænket hoved
| Art. nr. | Product Reference | Dimensioner [d x Lv] [mm] | Hole diameter [do] [mm] | Huldiameter i befæstelse [df] [mm] | Hoveddiameter [s] [mm] | Nominel indstøbningsdybde [hnom] [mm] | Befæstelsestykkelse [tfix] (1) [mm] | Min. huldybde [h1>] [mm] | Min. understøttelsestykkelse [hmin] [mm] | Bit | Qty per box | Antal pr. ydre kasse |
|---|---|---|---|---|---|---|---|---|---|---|---|---|
| 19419B0706000 | VF | Ø7,5x60 | 6 | 6.2 | 11.5 | 30 | 30 | 40 | 60 | T-30 | 100 | 800 |
| 19419B0707000 | Ø7,5x70 | 6 | 6.2 | 11.5 | 30 | 40 | 40 | 60 | T-30 | 100 | 800 | |
| 19419B0709000 | Ø7,5x90 | 6 | 6.2 | 11.5 | 30 | 60 | 40 | 60 | T-30 | 100 | 800 | |
| 19419B0710000 | Ø7,5x100 | 6 | 6.2 | 11.5 | 30 | 70 | 40 | 60 | T-30 | 100 | 800 | |
| 19419B0713500 | Ø7,5x135 | 6 | 6.2 | 11.5 | 30 | 105 | 40 | 60 | T-30 | 100 | 600 | |
| 19419B0715000 | Ø7,5x150 | 6 | 6.2 | 11.5 | 30 | 120 | 40 | 60 | T-30 | 100 | 600 | |
| 19419B0718000 | Ø7,5x180 | 6 | 6.2 | 11.5 | 30 | 150 | 40 | 60 | T-30 | 100 | 400 |
(1) Max fixing thickness refers to installation on concrete
* Size not covered by CE certification
Anbefalede belastninger / for enkeltankre 1)
| Art. nr. | Product Reference | Dimensioner [d x Lv] [mm] | Anbefalede belastninger 1) for enkeltanker | ||||||||
|---|---|---|---|---|---|---|---|---|---|---|---|
| Beton C20/25 2) |
Massiv mursten 2) fbk ≥ 20 N/mm2 |
Honeycomb mursten (Bimattone) 2) fbk ≥ 10 N/mm2 |
Fyrretræ 3) ρk = 450 kg/m3 | Maks. drejningsmoment 5) [Tmax] [Nm] | |||||||
| Nrec [kN] | Vrec [kN] | Nrec [kN] | Vrec [kN] | Nrec [kN] | Vrec [kN] | Nrec [kN] | Vrec [kN] | ||||
| 19419B0709000 | VF | Ø7,5x90 | 1.5 | 1.5 | 1.3 | 1.5 | 0.1 | 0.3 | 1.1 | - | 20 |
| 19419B0710000 | VF | Ø7,5x100 | 1.5 | 1.5 | 1.3 | 1.5 | 0.1 | 0.3 | 1.1 | - | 20 |
| 19419B0713500 | VF | Ø7,5x135 | 1.5 | 1.5 | 1.3 | 1.5 | 0.1 | 0.3 | 1.1 | - | 20 |
| 19419B0715000 | VF | Ø7,5x150 | 1.5 | 1.5 | 1.3 | 1.5 | 0.1 | 0.3 | 1.1 | - | 20 |
| 19419B0718000 | VF | Ø7,5x180 | 1.5 | 1.5 | 1.3 | 1.5 | 0.1 | 0.3 | 1.1 | - | 20 |
1)The allowable loads Nzul / Vzul were determined from the average values of the breaking loads, taking into account a safety factor γ = 4 (γ = 5 for vertically perforated bricks). Design and dimensioning
shall be carried out in accordance with the Friulsider design guide.
2) Anchoring base without plaster layer.
concrete: hnom = 30mm
solid masonry: hnom = 40mm
honycomb brick (Bimattone): hnom = 60mm
3) Pine wood average gross density ρk = 450 kg/m3 / moisture content approx. 12 % / fiber direction α > 30°.
Pine wood: hnom = 40mm
5) The installation torque must be adjusted according to the type of installation and the anchoring base.