Ankret sætter sig automatisk efter indsættelse gennem hullet, på grund af fjederen i ankret.
Applikationer
Anvendelsesområder
Elektrisk og VVS-tilbehør
Belysningsarmaturer
Gardinstænger
Egnet til
Celleblokke
Gipsplader
Plader
Teknisk data
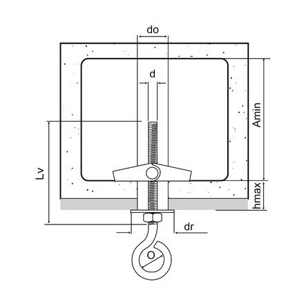
Dimensioner
Produktdimension - Gevindstang
Art. nr.
Product information
Product reference
Hole [Ø]
Gevindstang
Washer [Ø]
Pakke
Ydre kasse
76115B0810000
AM
20
M8x100
30
20
160
Produktdimension - Kophage
Table "Produktdimension - Kophage" cannot be displayed : no references available.
Installation
Installation
ZIP-pakker
Buy from Distributor
No items available.
Meta Navigation da-DK
Legal Info
Om Simpson Strong-Tie®
Simpson Strong-Tie leverer produkter og services, der hjælper mennesker med at designe og bygge mere sikre og stærkere konstruktioner.
Som pioner i byggebranchen og verdensførende inden for strukturelle løsninger har vi en uovertruffen passion for problemløsning gennem innovation. Vores engagement i at udvikle stadig bedre byggeprodukter og teknologier samt at give vores kunder enestående service og support, har været vores mission siden 1956.