FM-X5
Rammedybel for vinduer og døre
FM-X5 rammedybel i Ø8 og Ø10 mm udgaver med undersænket hoved for alsidig montage i beton og murværk
CE mærket
Aftalegrundlag
Anvendelsesklasse 2
Elgalvaniseret stål
Indoor
Feu R 90
Fix Calc
Produktinformationer
Egenskaber
Materiale
Dybel: nylon
Skrue: hvid zinkbelagt stål
Fordele
- Variabel geometri med multi-ekspansion
- Lavt iskruningsmoment
- Flexibelt nylon
Applikationer
Anvendelsesområder
- Rammeværk
- Vægskabe
- Let tømrerarbejde
Lämplig för
- Urevnet beton
- Massive mursten
- Hulsten
- Letvægts hulsten
- Letklinkerbeton
- Letbeton
- Sten
Teknisk data
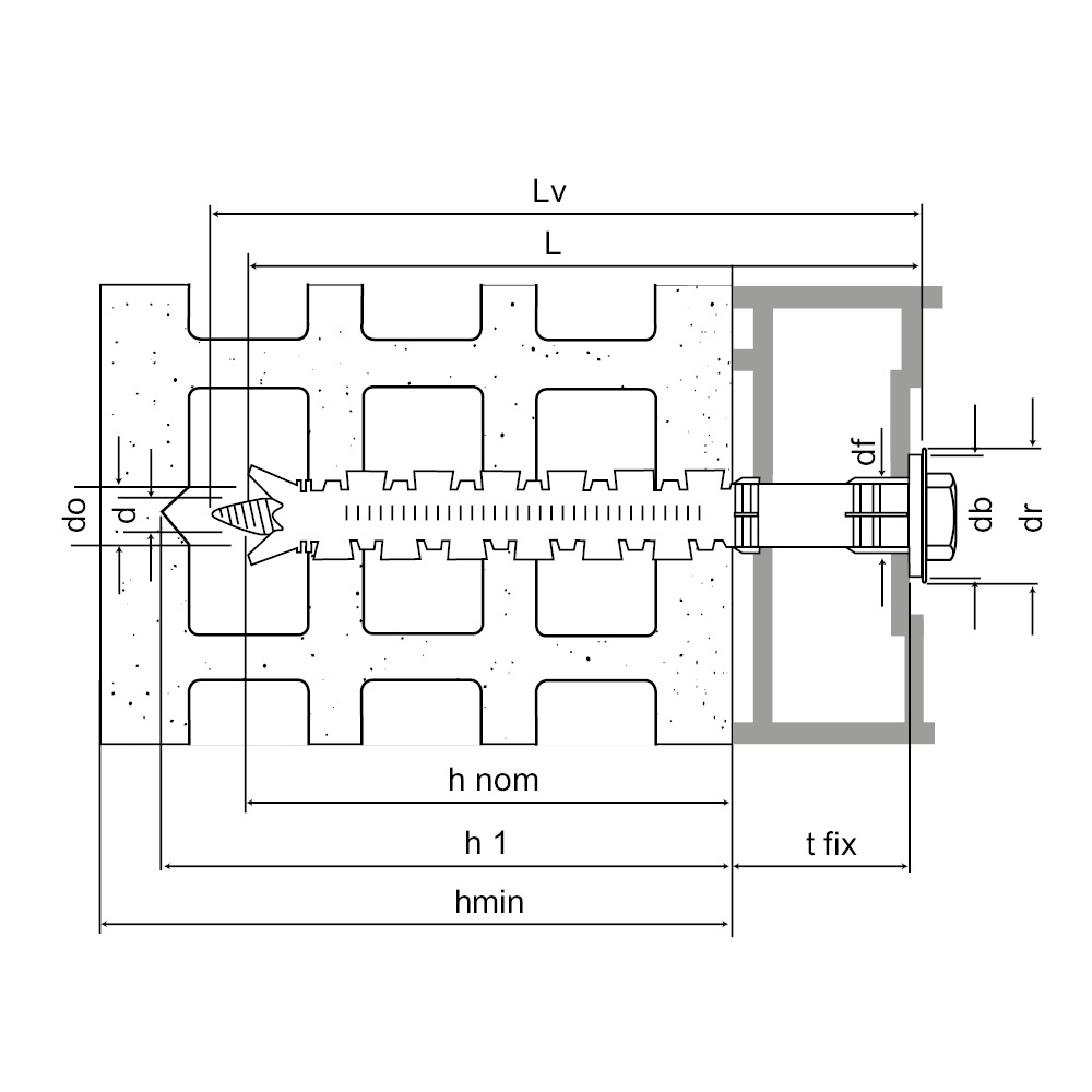
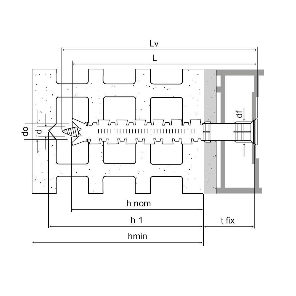
Produktdimension - Forsænket skrue
| Art. nr. | Product Reference | Hole diameter x anchor length [doxL] [mm] | Maks. fastgørelses tykkelse [tfix] [mm] | Min. huldybde [h1] | Nominel indlejringsdybde [hnom] [mm] | Min. understøttelsestykkelse* [hmin] [mm] | Huldiameter i befæstelse [df] [mm] | Skruediameter [d] [mm] | Skruelængde [Lv] [mm] | Bit | Qty per box | Antal pr. ydre kasse |
|---|---|---|---|---|---|---|---|---|---|---|---|---|
| 64301B0808000 | FM-X5 | Ø8x80 | 10 | 80 | 70 | 120 | 8.5 | 6 | 85 | T30 | 100 | 1000 |
| 64301B1008500 | Ø10x85 | 15 | 80 | 70 | 120 | 10.5 | 7 | 90 | T40 | 50 | 500 | |
| 64301B1010000 | Ø10x100 | 30 | 80 | 70 | 120 | 10.5 | 7 | 105 | T40 | 50 | 500 | |
| 64301B1011500 | Ø10x115 | 45 | 80 | 70 | 120 | 10.5 | 7 | 120 | T40 | 50 | 500 | |
| 64301B1013500 | Ø10x135 | 65 | 80 | 70 | 120 | 10.5 | 7 | 140 | T40 | 50 | 200 | |
| 64301B1016000 | Ø10x160 | 90 | 80 | 70 | 120 | 10.5 | 7 | 165 | T40 | 50 | - |
* Including plaster
Produktdimension - Sekskantskrue - Stor skive
Table "Produktdimension - Sekskantskrue - Stor skive" cannot be displayed : no references available.
Produktdimension - Gør-det-selv - Forsænket skrue
Table "Produktdimension - Gør-det-selv - Forsænket skrue" cannot be displayed : no references available.
Produktdimension - Gør-det-selv - Sekskantskrue
Table "Produktdimension - Gør-det-selv - Sekskantskrue" cannot be displayed : no references available.
Designkapaciteter - enkelt forankring - ingen kantafstande
| Art. nr. | Designkapaciteter - enkelt forankring - ingen kantafstande | ||||||||||||
|---|---|---|---|---|---|---|---|---|---|---|---|---|---|
| Product Reference | Hole diameter x anchor length [doxL] [mm] | Designkapacitet | |||||||||||
| Spænding - NRd | Skæring - VRd | Bøjningsmoment MRd [Nm] | |||||||||||
| Ikke-revnet beton C12/15 [kN] | Ikke-revnet beton C16/20 [kN] | Autoklaveret porebeton AAC [kN] | Solid brick [kN] | Hollow brick Alveolater | Non-cracked concrete C12/15 [kN] | Non-cracked concrete C16/20 [kN] | Autoclaved aerated concrete AAC [kN] | Solid brick [kN] | Hulsten Alveolater | ||||
| 64301B0808000 | FM-X5 | Ø8x80 | 0.8 | 1.4 | 0.3 | 1.4 | 0.6 | 0.8 | 1.4 | 0.3 | 1.4 | 0.6 | 7 |
| 64301B1008500 | FM-X5 | Ø10x85 | 1.4 | 1.9 | 0.3 | 1.4 | 0.6 | 1.4 | 1.9 | 0.3 | 1.4 | 0.6 | 13.47 |
| 64301B1010000 | FM-X5 | Ø10x100 | 1.4 | 1.9 | 0.3 | 1.4 | 0.6 | 1.4 | 1.9 | 0.3 | 1.4 | 0.6 | 13.47 |
| 64301B1011500 | FM-X5 | Ø10x115 | 1.4 | 1.9 | 0.3 | 1.4 | 0.6 | 1.4 | 1.9 | 0.3 | 1.4 | 0.6 | 13.47 |
| 64301B1013500 | FM-X5 | Ø10x135 | 1.4 | 1.9 | 0.3 | 1.4 | 0.6 | 1.4 | 1.9 | 0.3 | 1.4 | 0.6 | 13.47 |
| 64301B1016000 | FM-X5 | Ø10x160 | 1.4 | 1.9 | 0.3 | 1.4 | 0.6 | 1.4 | 1.9 | 0.3 | 1.4 | 0.6 | 13.47 |
Installation
Installation
Afstande og kantafstande
| Art. nr. | Product Reference | Hole diameter x anchor length [doxL] [mm] | Afstande og kantafstande | |||||||||||||
|---|---|---|---|---|---|---|---|---|---|---|---|---|---|---|---|---|
| Non-cracked concrete C12/15 | Non-cracked concrete C16/20 | Autoclaved aerated concrete AAC | Solid brick | |||||||||||||
| Min. edge distance [cmin] [mm] | Min. spacing [smin] [mm] | Characteristic edge distance [ccr,N] [mm] | Minimun thickness of support [hmin] [mm] | Min. edge distance [cmin] [mm] | Min. spacing [smin] [mm] | Characteristic edge distance [ccr,N] [mm] | Minimumstykkelse af understøtning [hmin] [mm] | Min. edge distance [cmin] [mm] | Min. spacing [smin] [mm] | Minimun thickness of support [hmin] [mm] | Min. edge distance [cmin] [mm] | Min. spacing [smin] [mm] | Minimun thickness of support [hmin] [mm] | |||
| 64301B0808000 | FM-X5 | Ø8x80 | 80 | 80 | 140 | 100 | 60 | 60 | 100 | 100 | 100 | 250 | 200 | 100 | 250 | 110 |
| 64301B1008500 | FM-X5 | Ø10x85 | 80 | 80 | 140 | 100 | 60 | 60 | 100 | 100 | 100 | 250 | 200 | 100 | 250 | 110 |
| 64301B1010000 | FM-X5 | Ø10x100 | 80 | 80 | 140 | 100 | 60 | 60 | 100 | 100 | 100 | 250 | 200 | 100 | 250 | 110 |
| 64301B1011500 | FM-X5 | Ø10x115 | 80 | 80 | 140 | 100 | 60 | 60 | 100 | 100 | 100 | 250 | 200 | 100 | 250 | 110 |
| 64301B1013500 | FM-X5 | Ø10x135 | 80 | 80 | 140 | 100 | 60 | 60 | 100 | 100 | 100 | 250 | 200 | 100 | 250 | 110 |
| 64301B1016000 | FM-X5 | Ø10x160 | 80 | 80 | 140 | 100 | 60 | 60 | 100 | 100 | 100 | 250 | 200 | 100 | 250 | 110 |
Installation data
| Art. nr. | Product Reference | Hole diameter x anchor length [doxL] [mm] | Installationsdata | |||
|---|---|---|---|---|---|---|
| Ø borehul [d0] [mm] | Min. drill depth [h1] [mm] | Ø boreholder [df] [mm] | Wrench size [SW] [mm] | |||
| 64301B0808000 | FM-X5 | Ø8x80 | 8 | 80 | 8.5 | - |
| 64301B1008500 | FM-X5 | Ø10x85 | 10 | 80 | 10.5 | - |
| 64301B1010000 | FM-X5 | Ø10x100 | 10 | 80 | 10.5 | - |
| 64301B1011500 | FM-X5 | Ø10x115 | 10 | 80 | 10.5 | - |
| 64301B1013500 | FM-X5 | Ø10x135 | 10 | 80 | 10.5 | - |
| 64301B1016000 | FM-X5 | Ø10x160 | 10 | 80 | 10.5 | - |
Certificeringer
Ydeevnedeklaration (DoP)
dk-fm-x5-07-f.pdf
(229.36 KB)
ETA godkendelse (European Technical Assessment)
fm-x5-eta-10-0425-en-2024-03-13.pdf
(987.52 KB)