TAN

Selvborende Dybel

TAN nylon dybel er designet til fastgørelse I gipsplader. Skruen kan skrues direkte i et eller to lag gips, uden forboring. Emnet er skal fastgøres monteres med Ø3,0 – Ø4,5 mm træ- gips- eller stålskrue.

Produktinformationer

Billeder

Egenskaber

Fordele

  • Forboring ikke nødvendig
  • Benyttes i vægge af et eller to lag gips

Applikationer

Materiale

  • Nylon

Anvendelsesområder

Trælameller
Gardinskinne
Metalprofiler

Egnet til

Gipsplader

Teknisk data

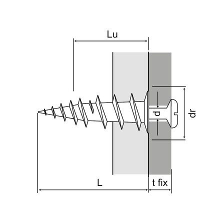
Dimensioner

Product Dimensions

Art. nr. Product Reference Dimensions [ØxL] [mm] Stik [Ø x L] Min. skruediameter [d] [mm] Maks. skruediameter [d] [mm] Skivediameter dr [mm] Min. gevindindgreb [Lu] [mm] Qty per box Antal pr. ydre kasse Vægt [kg]
6550501503500TANØ6.5x3515x3534.5142210010000.002

Screw Length: Lv = Lu + tfix

Use Phillips PH2 insert with plasterboard plug

Anbefalede kapaciteter

Art. nr. Product Reference Dimensions [ØxL] [mm] Anbefalet kapacitet Installationsdata
Spænding - Nrec [kN] Kantafstand [ccr,N] [mm] Afstand(5) - Scr,N [scr,N] [mm]
Gipsplader 12,5 mm Gipsplader 2 x 12,5 mm
6550501503500TANØ6.5x350.060.15050

*These values are for guidance only 

Produktdimension - Gør-det-selv

Table "Produktdimension - Gør-det-selv" cannot be displayed : no references available.

Installation

Installation

ZIP-pakker

Buy from Distributor

No items available.

Contact

Simpson Strong-Tie Danmark

Simpson Strong-Tie A/S

CVR 65653818
Egeskovvej 33
8700 Horsens
Danmark