TRZ

Selvborende zamak Dybel

TRZ zamak (zink/aluminium) dybel til fastgørelse I gipsplader, fibergips og gasbeton. Skruen kan skrues direkte i et lag gipsplade. Emnet er skal fastgøres monteres med Ø4,5 mm træ- gips- eller stålskrue.

Gulkromatiseret

Produktinformationer

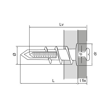
Billeder

Egenskaber

Materiale

  • zamak (zink/aluminium)

Fordele

  • Forboring ikke nødvendig
  • Dyblen monteres med akruetrækker

Applikationer

Anvendelsesområder

  • Trælameller
  • Gardinskinne
  • Metalprofiler

Egnet til

  • Gasbeton (AAC)
  • Gipsplader

Teknisk data

Dimensioner

Product Dimensions

Art. nr. Product Reference Proppens diameter x længde [ØxL] [mm] Fastgørelsesdybde [tfix] [mm] Nominel indstøbningsdybde* [hnom] [mm] Min. understøttelsestykkelse* [hmin] [mm] Skruediameter [d] [mm] Skruelængde [Lv] [mm] Skivediameter [dr] [mm] Fordybning Qty per box Antal pr. ydre kasse Vægt [kg]
7500601303000TRZ13x3010306043514PZ210020000.007

Values refer to installation on compact base materials such as aerated concrete.

Anbefalede kapaciteter

Art. nr. Product Reference Proppens diameter x længde [ØxL] [mm] Anbefalet kapacitet Installationsdata
Spænding - Nrec [kN] Skæring - Vrec [kN] Characteristic edge distance [ccr,N] [mm] Characteristic spacing(5) - Scr,N [scr,N] [mm]
Porenbeton G4  Gipsplader 12,5 mm Aerated concrete G4  Plasterboard 12,5 mm
7500601303000TRZ13x300.10.050.20.15050

*These values are for guidance only 

Produktdimension - Gør-det-selv

Table "Produktdimension - Gør-det-selv" cannot be displayed : no references available.

Installation

Installation

ZIP-pakker

Buy from Distributor

No items available.

Contact

Simpson Strong-Tie Danmark

Simpson Strong-Tie A/S

CVR 65653818
Egeskovvej 33
8700 Horsens
Danmark